Published:2009/7/1 4:05:00 Author:May | From:SeekIC

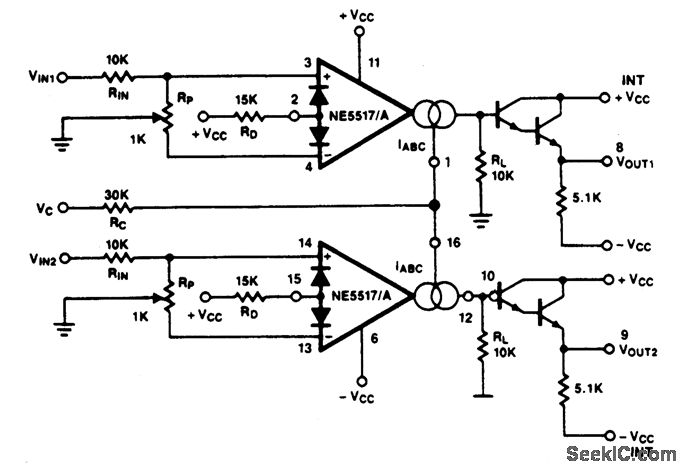
Excellent tracking of typical 0.3 dB is easy to achieve. With the potentiometer, RP, the offset can be adjusted. For ac-coupled amplifiers, the potentiometer may be replacGd with two 5.1 k ohm resistors.
Reprinted Url Of This Article:
http://www.seekic.com/circuit_diagram/Amplifier_Circuit/STEREO_AMPLIFIER_WITH_GAIN_CONTROL.html
Print this Page | Comments | Reading(3)
Code: