Published:2009/6/28 23:39:00 Author:May | From:SeekIC

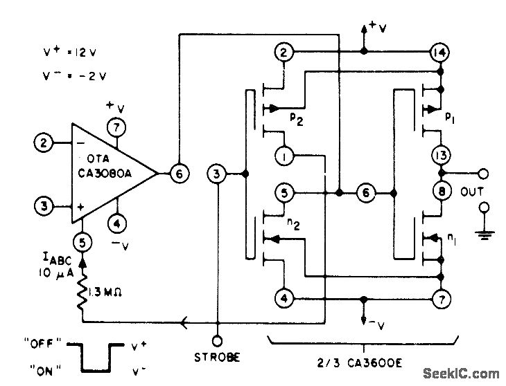
Combination of CA3080A opamp and two CMOS transistor pairs from CA3600E array gives programmable micropower comparator having quiescent power drain of about 10μW. When comparator is strobed on, opamp becomes activeand circuit draws 420μW while responding to differentialinput signalin about 8μs. Common-mode input range is -1 V to +10.5 V. Voltage gain of comparator is typically 130 dB.— Linear Integrated Circuits and MOS/FET's, RCA Solid State Division, Somerville, NJ, 1977, p 279.
Reprinted Url Of This Article:
http://www.seekic.com/circuit_diagram/Amplifier_Circuit/STROBED_COMPARATOR.html
Print this Page | Comments | Reading(3)
Code: