Published:2009/7/24 1:53:00 Author:Jessie | From:SeekIC

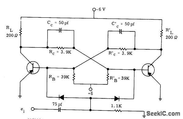
Developed for inexpensive 2N711 germanium pnp mesa switching transistors, to serve as building block for high-speed computer applications. Two or more flip4lops can be cascaded to form counter, or used as shift register by separating inputs. Close regulation is required for -6 V supply.-P. A. McInnis, Low-Cost Computer Circuits, Motorola Application Note AN-130, Nov. 1965.
Reprinted Url Of This Article:
http://www.seekic.com/circuit_diagram/Amplifier_Circuit/SYMMETRICAL_SATURATED_FLIP_FLOP.html
Print this Page | Comments | Reading(3)
Code: