Published:2011/5/16 9:37:00 Author:Rebekka | Keyword: Sensitive signal amplifier | From:SeekIC

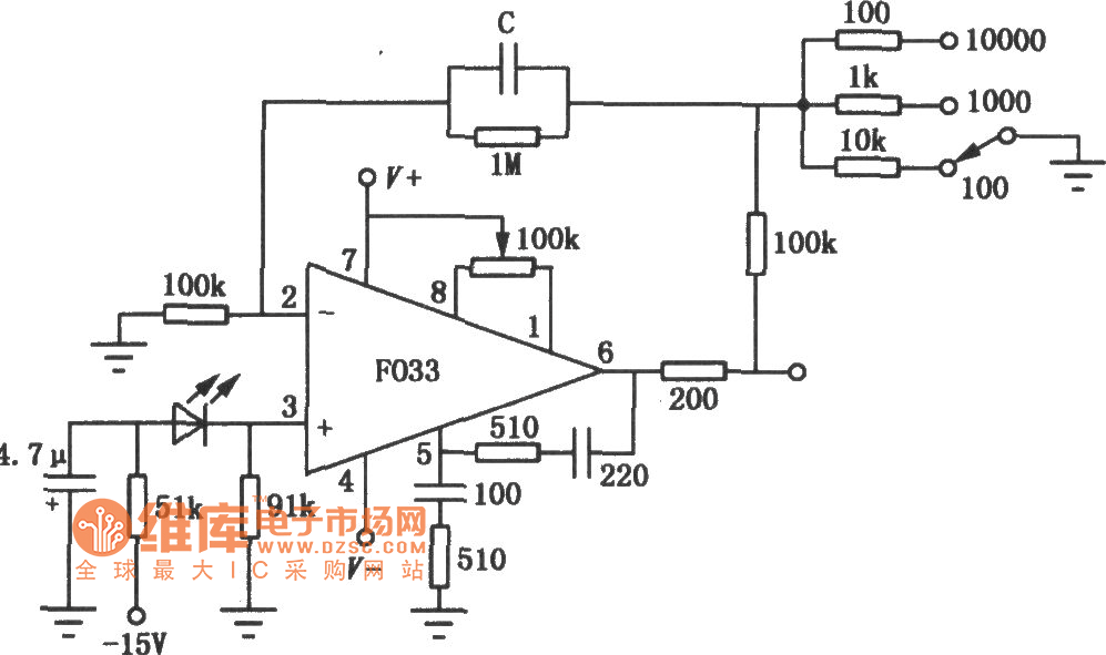
When the incident light illumination changes, it will generate a certain current on optical device. Because the photosensitive signal is very weak, it is better to choose the operational amplifier which has a low input bias current. The sensitive signal amplification circuit composed of the op amp F033 is shown as above. In order to eliminate oscillations, parallel connecting a small capacitor C (pF orders of magnitude) in the feedback circuit. The value of C has a influence on the bandwidth of the amplifier. The DC gain of the circuit is l00, 1000,10000. You can use gain to choose switch and make the corresponding 10kΩ, 1kΩ, 100Ω resistor connect to the ground to achieve. The resistor accuracy of the circuit must be better than ± 1%. The phototube uses FPT102 or FPT100.
Reprinted Url Of This Article:
http://www.seekic.com/circuit_diagram/Amplifier_Circuit/Sensitive_signal_amplifier_circuit_composed_of_F033.html
Print this Page | Comments | Reading(3)
Code: