Published:2009/7/23 22:15:00 Author:Jessie | From:SeekIC

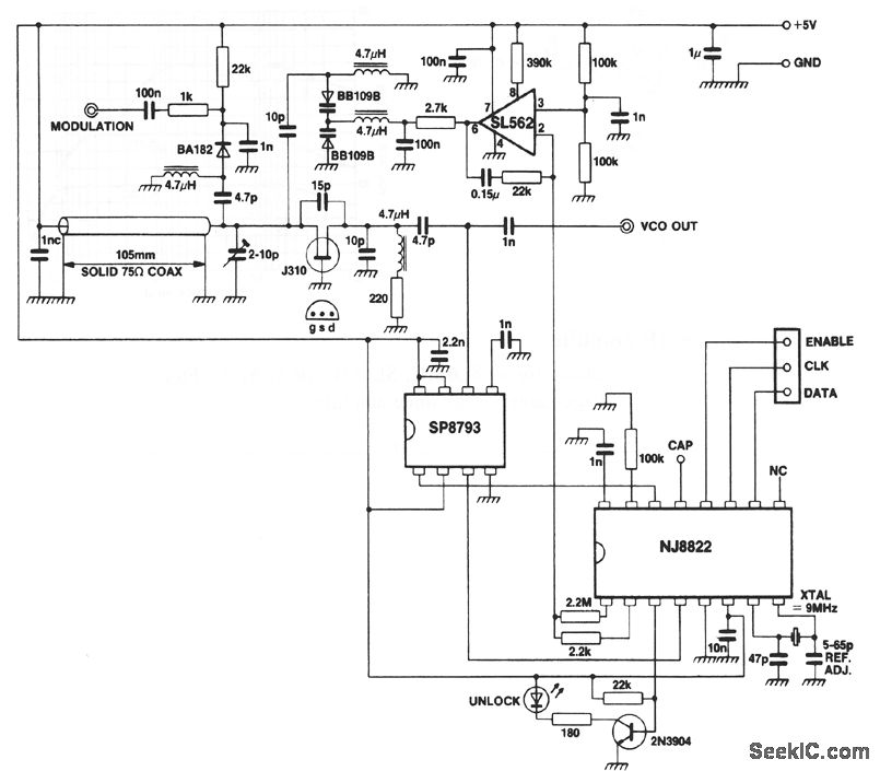
This circuit uses an NJ8822 single-chip synthesizer, an SP8793 dual-modulus prescaler, and an SL562 op amp. The VCO is a JFET oscillator that uses a transmission line as the resonator. This VCO is modulated by applying the audio signal to the cathode of a reverse-biased PIN diode, as shown in the circuit diagram. The loop filter uses the SL562, which (with the values shown) has a loop bandwidth of 60 Hz and a damping factor of 0.6. This filter is followed by a low-pass pole at 3.7 kHz to attenuate the 12.5-kHz reference sidebands. The lock-up time for a 1-MHz change in frequency is 80 ms. The output frequency range is 144 to 146 MHz and the level is +3 dB into 50Ω.
Reprinted Url Of This Article:
http://www.seekic.com/circuit_diagram/Amplifier_Circuit/Serially_programmable_VHF_frequency_synthesizer.html
Print this Page | Comments | Reading(3)
Code: