Published:2009/7/17 3:27:00 Author:Jessie | From:SeekIC

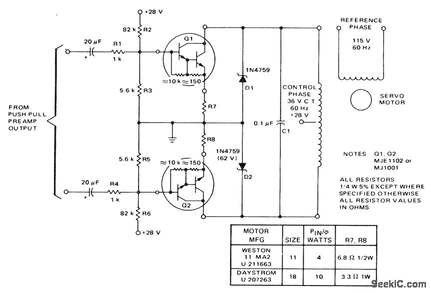
Servo motor power amplifier (courtesy Motorola Semiconductor Products Inc.).
Reprinted Url Of This Article:
http://www.seekic.com/circuit_diagram/Amplifier_Circuit/Servo_motor_power_amplifier.html
Print this Page | Comments | Reading(3)
Code: