Published:2009/7/23 22:17:00 Author:Jessie | From:SeekIC

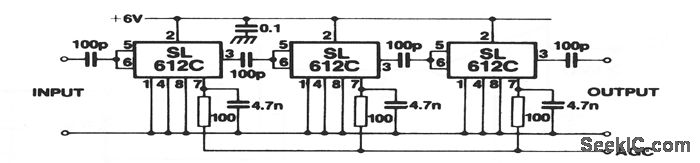
This circuit uses three SL612C amplifiers, and provides a gain of 100 dB at 9 MHz.
Reprinted Url Of This Article:
http://www.seekic.com/circuit_diagram/Amplifier_Circuit/Simple_SSB_IF_amplifier.html
Print this Page | Comments | Reading(3)
Code: