Published:2009/7/23 23:20:00 Author:Jessie | From:SeekIC

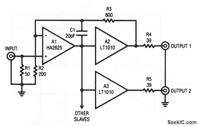
This circuit shows a simple way to provide multiple outputs for a single input (at video frequencies). The technique is to put feedback on one buffer, with the remaining buffers slaved. Notice that offset and gain accuracy of the slave buffers depends on the matching with the master.
Reprinted Url Of This Article:
http://www.seekic.com/circuit_diagram/Amplifier_Circuit/Simple_video_line_splitter_.html
Print this Page | Comments | Reading(3)
Code: