Published:2013/3/29 4:37:00 Author:Ecco | Keyword: Single Cell Battery , Meter Amplifier | From:SeekIC

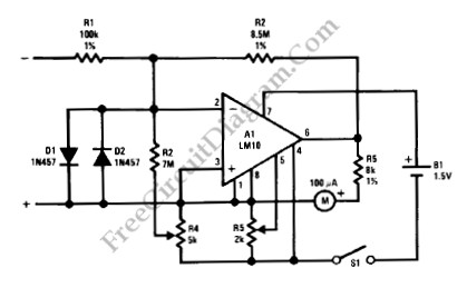
A meter amplifier can be designed using LM10 integrated circuit (IC). The accuracy of full-scale sensitivity is good for over 15°C to 155°C at 10mV and 100nA. Here is the schematic diagram of the circuit:
Reprinted Url Of This Article:
http://www.seekic.com/circuit_diagram/Amplifier_Circuit/Single_Cell_Battery_Meter_Amplifier_circuit.html
Print this Page | Comments | Reading(3)
Code: