Published:2009/7/23 23:54:00 Author:Jessie | From:SeekIC

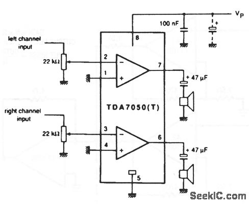
This low-voltage amplifier is for stereo applications (small speaker or headphones ).The circuit operates with battery supplies, from 6V down to 1.6V,and draws low quiescent current (typically 3.2mA with 3-V supply),Closed-loop voltage gain is 26dB with connections as shown, Output is 2×0.075W,with a 4.5-V supply ,operating 32-Ω loads ,The output is reduced to 2×0.035W when the supply is reduced to 3V (with 32-Ωloads).
Reprinted Url Of This Article:
http://www.seekic.com/circuit_diagram/Amplifier_Circuit/Single_chip_audio_amplifier_stereo_2_×0075W.html
Print this Page | Comments | Reading(3)
Code: