About SeekIC | Services | Payment | Advertisements service | Contact Us | Links
© 2008-2012 SeekIC.com Corp.All Rights Reserved.
Published:2011/7/17 7:31:00 Author:Fiona | Keyword: Single chip microcomputer, interface | From:SeekIC

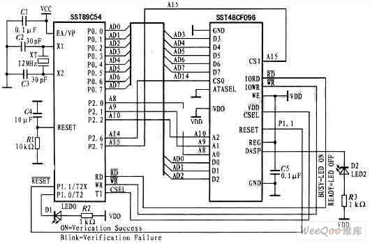
Single chip microcomputer and CF card interface circuit is shown as above:
Reprinted Url Of This Article:
http://www.seekic.com/circuit_diagram/Amplifier_Circuit/Single_chip_microcomputer_and_CF_card_interface_circuit.html
Print this Page | Comments | Reading(3)
Response in 12 hours
© 2008-2012 SeekIC.com Corp.All Rights Reserved.
Code: