© 2008-2012 SeekIC.com Corp.All Rights Reserved.
Published:2011/6/19 8:13:00 Author:TaoXi | Keyword: Single-chip microcomputer, LCD monitor, button interface | From:SeekIC

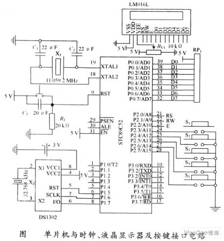
The interface circuit part of the single-chip microcomputer and the clock chip DS1302: the DS1302 is designed as one kind of high performance, low power consumption clock chip which is produced by the DALLAS company, this device uses the SPI three line interface to synchronously communicate with the CPU, and it supplies the second, the minute, the hour, the day, the week, the month and the year, when the month is less than 31 days, it can automaticly adjust, also it has the function of leap year compensation. The operating voltage is 2.5 to 5.5V, the application circuit is as shown in the figure.
The interface circuit part of the single-chip microcomputer and the LCD monitor: the data interface line of the LCD monitor is connected with the P0 port of the single-chip microcomputer. The P2.0, P2.1, P2.2 can be used in the operation of the LCD screen's reading and writing. The specific circuit is as shown in the figure.
Reprinted Url Of This Article:
http://www.seekic.com/circuit_diagram/Amplifier_Circuit/Single_chip_microcomputer_and_LCD_monitor_button_interface_circuit.html
Print this Page | Comments | Reading(3)
Response in 12 hours
© 2008-2012 SeekIC.com Corp.All Rights Reserved.
Code: