Published:2014/5/20 20:54:00 Author:lynne | Keyword: Single power resistor bridge constructed by the INA125 amplifier, INA125 | From:SeekIC

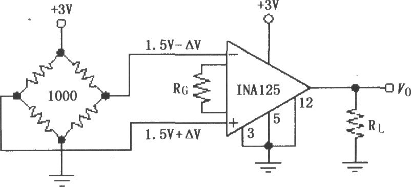
Single power resistor bridge constructed by the INA125 amplifier circuit as shown:
Reprinted Url Of This Article:
http://www.seekic.com/circuit_diagram/Amplifier_Circuit/Single_power_resistor_bridge_constructed_by_the_INA125_amplifier.html
Print this Page | Comments | Reading(3)
Code: