Published:2011/3/25 3:01:00 Author:may | Keyword: Single-supply amplifier | From:SeekIC

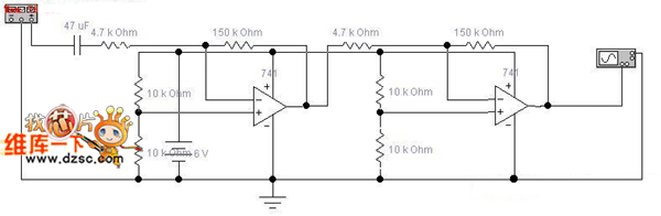
Single-supply amplifier circuit is shown in the diagram:
Reprinted Url Of This Article:
http://www.seekic.com/circuit_diagram/Amplifier_Circuit/Single_supply_amplifier_circuit.html
Print this Page | Comments | Reading(3)
Code: