Published:2013/3/13 2:06:00 Author:Ecco | Keyword: Small Electret, Microphone , Pre-amplifier | From:SeekIC


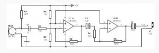
The mic pre amp described here is designed to connect a small electret microphone and uses an integrated circuit type NE5532.
As you can see, this scheme is very simple. The use of a dual operational amplifier type NE5532 is a large part in simplicity, although it was quite possible to simplify even more by using a single transistor.
Reprinted Url Of This Article:
http://www.seekic.com/circuit_diagram/Amplifier_Circuit/Small_Electret_Microphone_Pre_amplifier.html
Print this Page | Comments | Reading(3)
Code: