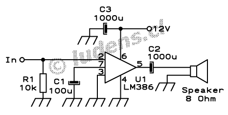
Published:2013/5/9 21:14:00 Author:muriel | Keyword: Small audio amplifiers | From:SeekIC

Reprinted Url Of This Article:
http://www.seekic.com/circuit_diagram/Amplifier_Circuit/Small_audio_amplifiers.html
Print this Page | Comments | Reading(3)
Code: