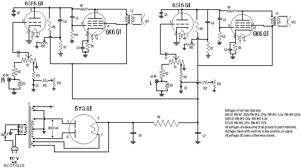
Published:2012/12/12 0:29:00 Author:muriel | Keyword: Stereo Tube, Amplifier | From:SeekIC

Reprinted Url Of This Article:
http://www.seekic.com/circuit_diagram/Amplifier_Circuit/Stereo_Tube_Amplifier.html
Print this Page | Comments | Reading(3)
Code: