Published:2009/7/17 2:48:00 Author:Jessie | From:SeekIC

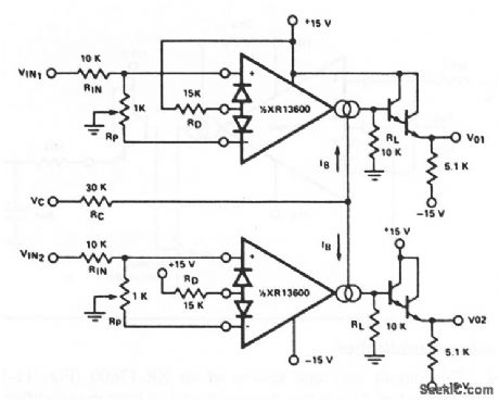
This circuit uses both sections of an XR-13600 (Fig. 11-1B) as a stereo volume control with typical channel-to-channel gain tracking of 0.3 dB. The RP potentiometers are provided to minimize the output offset voltage and they can be replaced with two 510-Ω resistors in ac-coupled applications. With the values shown, amplifier gain is: VO/VIN = 940× IB (mA). EXAR corporation Databook 1990 p 5-253
Reprinted Url Of This Article:
http://www.seekic.com/circuit_diagram/Amplifier_Circuit/Stereo_volume_control.html
Print this Page | Comments | Reading(3)
Code: