Published:2011/9/14 6:03:00 Author:Sophia | Keyword: Switch delay circuit, the delaying of rise part | From:SeekIC


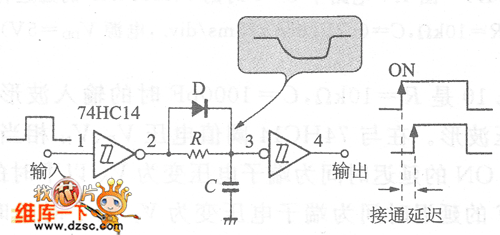
Figure 1 is the delay circuit only when the switch is ON, which is called on-delay circuit. The resistance R is in parallel with diode D, if the direction of the diode is changed, shown in Figure 2, the circuit becomes only the OFF delay time circuit- - Disconnect the delay circuit.
Figure 1 is the on-delay circuit with the delay of only rise part
Figure 2 is the off delay circuit with the delay of only the drop part The diode in the switching delay circuit reaches the action of charge and discharge time. When the diode is not conducting, T = RC; when it is conducted, CMOSIC output impedance and diode D action impedance can be neglected, which can extremely shorten time constant.
Reprinted Url Of This Article:
http://www.seekic.com/circuit_diagram/Amplifier_Circuit/Switch_delay_circuit_with_only_the_delaying_of_rise_part.html
Print this Page | Comments | Reading(3)
Code: