Published:2009/7/16 3:32:00 Author:Jessie | From:SeekIC

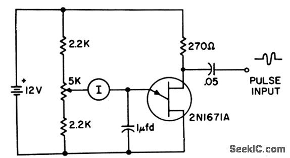
Unijunction transistor is basis of simple, inexpensive tachometer amplifier or frequency meter. Each negative input pulse of sufficient amplitude triggers ujt, so capacitor is discharged through ujt. Capacitor is then recharged through d-c am meter by current having sawtooth waveform that minimizes flutter at low frequencies.-T. P. Sylvan, Frequency Meter-Tachometer Amplifier, EEE, 10:8, p 25-26.
Reprinted Url Of This Article:
http://www.seekic.com/circuit_diagram/Amplifier_Circuit/TACHOMETER_AMPLIFIER.html
Print this Page | Comments | Reading(3)
Code: