Published:2011/6/8 3:17:00 Author:qqtang | Keyword: communication RF, compound integrated circuit | From:SeekIC






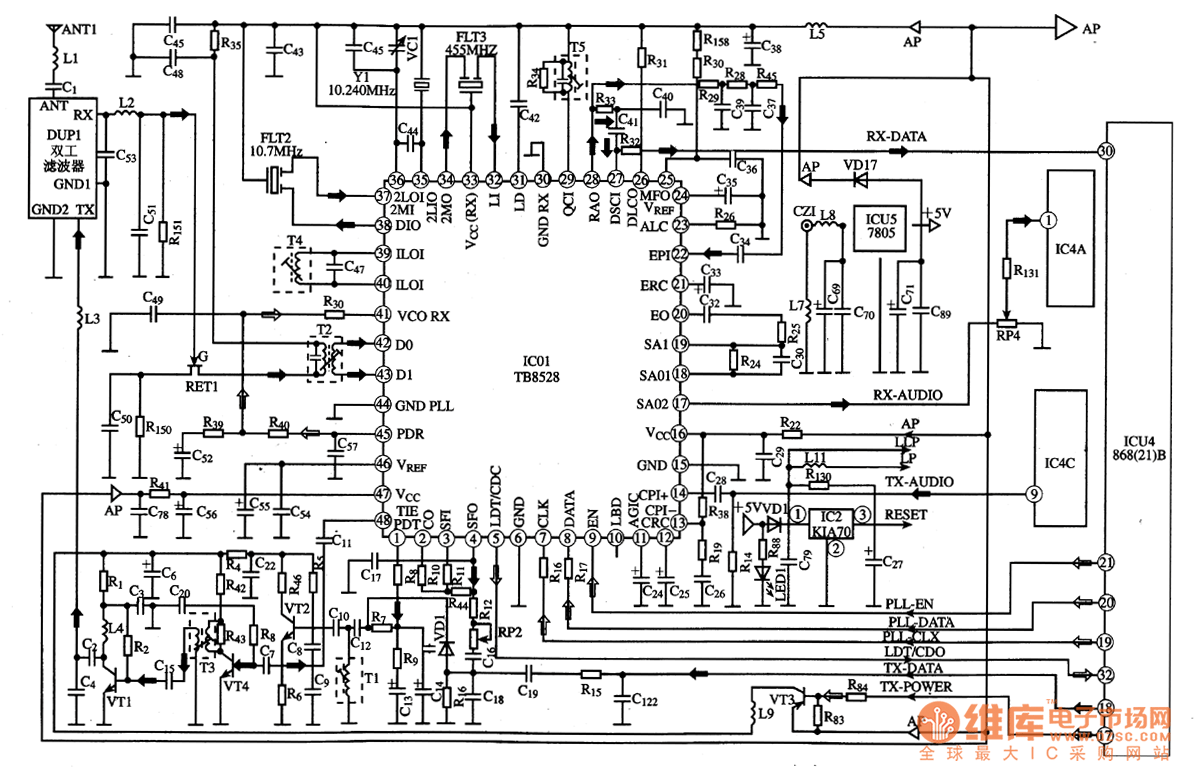
TB8528 is a communication RF compound integrated circuit produced by Toshiba, which is widely used in all kinds of wireless phones, and it is often used with cell phone control circuit as the main machine.1.function featuresTB8528 includes the emitting/receiving signal process circuit, PLL signal process circuit, audio compressing/expanding circuit, double-conversion process circuit and so on, which is used to complete receiving modulation, PLL control, language compressing/expanding process and other functions.2.pin functions and dataTable 1. The pin functions and data of the host RF compound integrated circuit
Reprinted Url Of This Article:
http://www.seekic.com/circuit_diagram/Amplifier_Circuit/TB8528__the_communication_RF_compound_integrated_circuit.html
Print this Page | Comments | Reading(3)
Code: