Published:2012/10/11 21:18:00 Author:muriel | Keyword: TDA1514, 50W, Hi Fi, audio amplifier | From:SeekIC

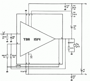
TDA1514 is a hi fi audio amplifier which can output 50W audio power. The power supply is between 10V and 30V. It can be used as a home amplifier.The TDA1514 integrated circuit is a hi-fi power amplifier for use as a building block in radio, tv and other audio applications. The TDA 1514 circuit is totally protected, also has a mute function that can be arranged for a period after power-on with a delay time fixed by external components. The device is intended for symmetrical power supplies but an asymmetrical supply may also be used. For stereo amplifier configuration use two identical circuits.
TDA1514 amplifier
Reprinted Url Of This Article:
http://www.seekic.com/circuit_diagram/Amplifier_Circuit/TDA1514_50W_Hi_Fi_audio_amplifier.html
Print this Page | Comments | Reading(3)
Code: