Published:2011/5/25 19:10:00 Author:Christina | Keyword: practical making, miniature, amplifier | From:SeekIC

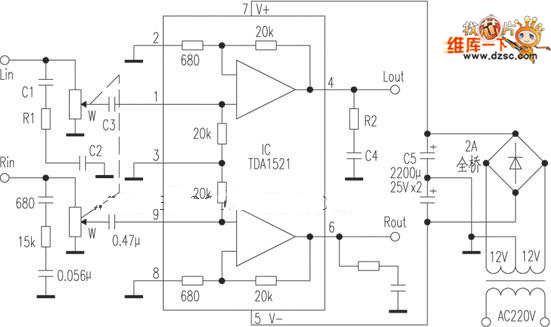
Figure: TDA1521 practical making miniature amplifier circuit
Reprinted Url Of This Article:
http://www.seekic.com/circuit_diagram/Amplifier_Circuit/TDA1521_practical_making_miniature_amplifier_circuit.html
Print this Page | Comments | Reading(3)
Code: