Published:2013/10/8 20:17:00 Author:lynne | Keyword: TDA2005 Audio Amplifier Circuits | From:SeekIC

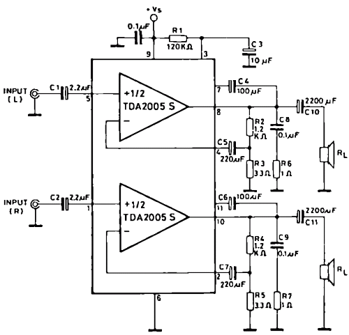
TDA2005 is a class B dual audio power amplifier specifically designed for car radio applications. Its high current capability (up to 3.5 A) and the ability to drive very low impedance loads (down to 1.6 ohms) makes this circuit a good choice for cheap power booster amplifiers.
Reprinted Url Of This Article:
http://www.seekic.com/circuit_diagram/Amplifier_Circuit/TDA2005_Audio_Amplifier_Circuits.html
Print this Page | Comments | Reading(3)
Code: