Published:2012/10/11 21:19:00 Author:muriel | Keyword: TDA 2030, 8W, Audio Amplifier | From:SeekIC

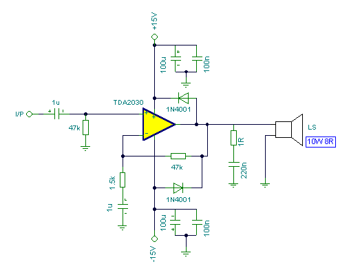
TDA 2030 audio amplifier can output 20 W but in this schematic we have reduced the power to 8w and we use 10w speakers. The input sensivity is around 200mV and the amplifier is set by the 47k and 1.5k resistors.
TDA2030 amplifier circuit diagram
Reprinted Url Of This Article:
http://www.seekic.com/circuit_diagram/Amplifier_Circuit/TDA_2030_8W_Audio_Amplifier.html
Print this Page | Comments | Reading(3)
Code: