Published:2009/7/14 22:41:00 Author:Jessie | From:SeekIC



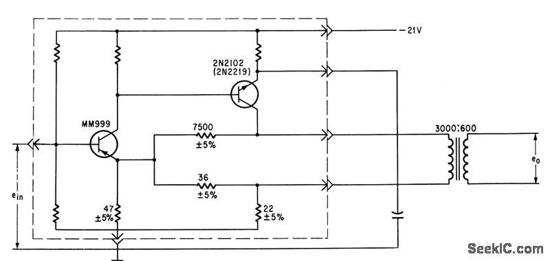
Thick film construction gives 36 db gives and is distortion. free up to 65 mw. Input and output impedances are 600 ohms, for frequency multiplex equipment.-N. A Zellmer, Getting the Most out of Feedback,Electronics,39:2, p 66-72.
Reprinted Url Of This Article:
http://www.seekic.com/circuit_diagram/Amplifier_Circuit/TELEPHONE_CHANNEL_AMPLIFIER.html
Print this Page | Comments | Reading(3)
Code: