Published:2009/6/30 3:06:00 Author:May | From:SeekIC

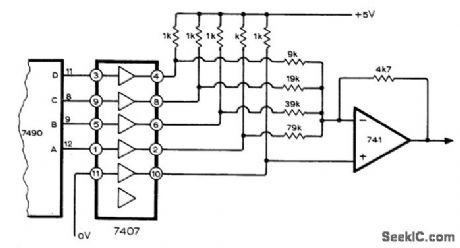
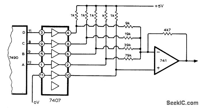
Use of 7407 hex buffer following SN7490 of D/A converter permits satisfactory performance over reasonably wide temperature range even when driving several TTL stages. Noninverting input of 741 opamp is connected to output of unused buffer at logic 0. Circuit is modification of D/A converter developed by D. James for use in simple two-digit DVM.—R. J. Chance, Improved Simple D. to A. Convener, Wireless World, Dec, 1974.p 503.
Reprinted Url Of This Article:
http://www.seekic.com/circuit_diagram/Amplifier_Circuit/TEMPERATURE_COMPENSATION.html
Print this Page | Comments | Reading(3)
Code: