Published:2009/7/17 5:22:00 Author:Jessie | From:SeekIC

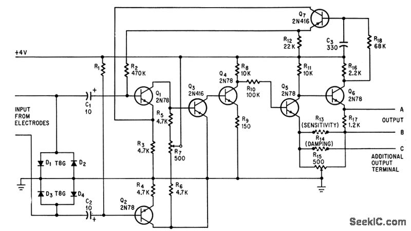
Circuit has common-mode rejection ratio of 10,000, with adjustable cancellation of unbalanced noise at input, for electrocardiograph. For temperature compensation, C3 bypasses ac signals from base of Q7, so only d-c signals are fed back through this transistor to Q1.-J. R. Smith, Jr., Amplifier Can be Adjusted to Cancel Unbalanced Noise, Electronics, 37:23, p 60-61.
Reprinted Url Of This Article:
http://www.seekic.com/circuit_diagram/Amplifier_Circuit/TEMPERATURE_COMPENSATION_IN_EGG_AMP.html
Print this Page | Comments | Reading(3)
Code: