Published:2011/6/19 8:17:00 Author:Seven | Keyword: drive circuit | From:SeekIC

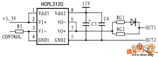
The pwm signal generated by dsp control circuit first crosses the drive circuit, and then controls the ON/OFF state of the igbt switch pipe. The writer chooses HP hcpl3120 specialized igbt drive circuit, see as the figure. The output and input of the drive circuit are isolated to each other, the drive circuit also has the function of LEV switching, it can convert the dsp +5 control voltage in the +15V igbt drive circuit, the drive circuit is equipped with the MORNSUN b0515 isolating power supply module.
Reprinted Url Of This Article:
http://www.seekic.com/circuit_diagram/Amplifier_Circuit/TGBT_drive_circuit.html
Print this Page | Comments | Reading(3)
Code: