Published:2009/7/15 22:53:00 Author:Jessie | From:SeekIC

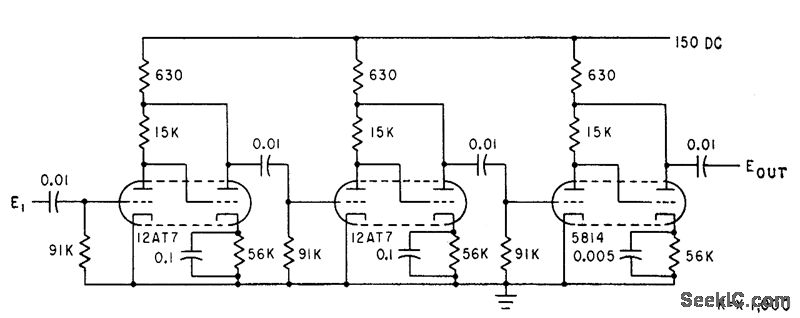
Handles closely spaced negative pulses in radar beacon and similctr applications, with-amplifier stctge is inverse-feedback pair of triodes with out distortion and recovery problems.Each amplifier stage is inverse-feednback pair of triodes with 360 ° total phase shift.-R. E. Koncen, Wide-Range Multiple-Pulse Amplifier, Electronics, 33:38, p 78-81.
Reprinted Url Of This Article:
http://www.seekic.com/circuit_diagram/Amplifier_Circuit/THREE_STAGE_NEGATIVE_PULSEAMPLIFIER.html
Print this Page | Comments | Reading(3)
Code: