Published:2009/7/9 5:51:00 Author:May | From:SeekIC

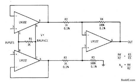
Responds to difference between two applied signals. Differential output voltage of LM102 pair is applied to balanced differential input of LM107 opamp. 0utput can be metered or used in any other desired manner. Voltage gain is equal to ratio R4/R2 and is 100 for values shown.-E. M. Nol!, Linear IC Principles, Experiments, and Projects, Howard W. Sams, Indianapolis, IN, 1974, p 126.
Reprinted Url Of This Article:
http://www.seekic.com/circuit_diagram/Amplifier_Circuit/THREE_STAGE_OPAMP.html
Print this Page | Comments | Reading(3)
Code: