Published:2009/7/15 22:49:00 Author:Jessie | From:SeekIC

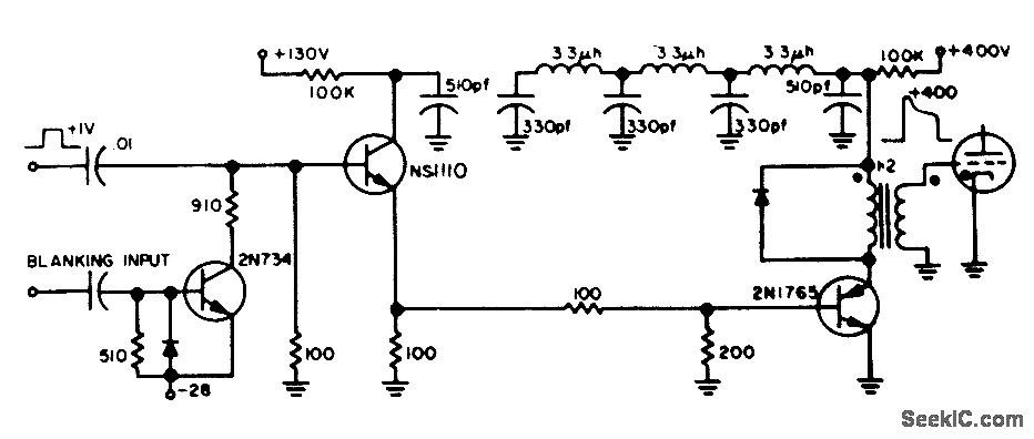
Input of 1 v makes solid-state circuit drive thyratron grid to 400 v within 60 nsec. Thyratron itself is fully on, and handling 100 amp al 6,000 v, in less than 100 nsec after input pulse. W. D. lsreal and W. B. McCartney, Nanosecond Thyratron Driver, EEE, 11:12, p 66.
Reprinted Url Of This Article:
http://www.seekic.com/circuit_diagram/Amplifier_Circuit/THYRATRON_DRIVER.html
Print this Page | Comments | Reading(3)
Code: