Published:2009/7/12 20:35:00 Author:May | From:SeekIC

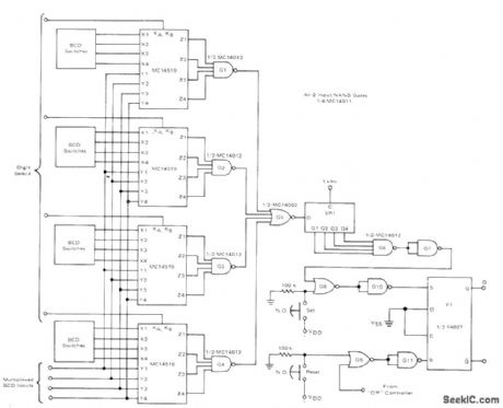
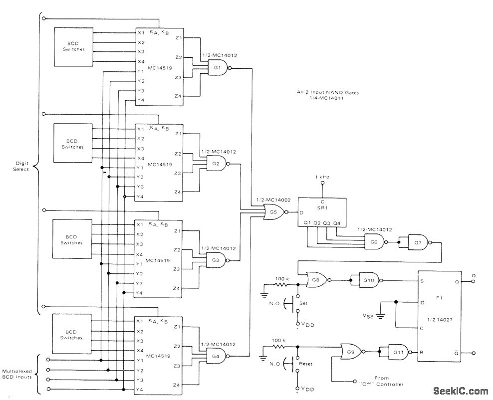
Digital circuit compares time that has been preset on one set of BCD input switches to multiplexed BCD output of basic 24-h industrial clock. When time of day corresponds to preset tifne, output circuit of comparator turns controlled device on for preset period of time. Second set of comparators can be used to tum device off when time of day equals preset time. Only hour and minute digits are compared, using Motorola MC145194-bit AND/OR select ICs, Q output of F1 can be used to control load power through output control circuit driving triac, with optoisolator providing required isolation from AC line. Supply is +5 V.-D. Aldridge and A. Mouton, Industrial Clock/Timer Featuring BackUp Power Supply Operation, Motorola, Phoenix, AZ, 1974, AN-718A,p6.
Reprinted Url Of This Article:
http://www.seekic.com/circuit_diagram/Amplifier_Circuit/TIME_COMPARATOR.html
Print this Page | Comments | Reading(3)
Code: