Published:2009/7/23 22:09:00 Author:Jessie | From:SeekIC

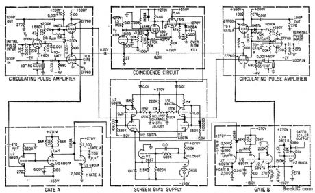
Gives high resolution (better than 1 millimicrosec) for multichannel measurements of short-life nuclear particles. Two pulses, defining time interval, are fed into the same loop-forming ends of two transmission lines. By making coincidence circuit spacing slightly smaller on terminal pulse lines than on initial pulse lines, terminal pulse is made to overtake initial pulse. Pulses approach coincidence al 1 millimicrosec per transit, so count of transits before coincidence gives time interval-H. W. Lefevre and J. T. Russell, Vernier Chronotron limes Nuclear Particle Flight, Electronics, 32:10, p 44-47.
Reprinted Url Of This Article:
http://www.seekic.com/circuit_diagram/Amplifier_Circuit/TIME_INTERVAL_ANALYZER.html
Print this Page | Comments | Reading(3)
Code: