Published:2009/7/16 3:43:00 Author:Jessie | From:SeekIC

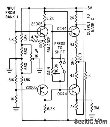
Bank 1 of 24-channel telemetry sampling switch feeds transducer outputs in sequence to heat-stabilized low-drift d-c amplifier. Output goes to bank 2, for feeding f-m subcarrier oscillator, which in turn amplitude-modulates uhf transmitter.-A. Potton, Telemetry System for Testing Automobiles, Electronics, 33:43, p 57-59.
Reprinted Url Of This Article:
http://www.seekic.com/circuit_diagram/Amplifier_Circuit/TRANSDUCER_D_C_AMPLIFIER.html
Print this Page | Comments | Reading(3)
Code: