Published:2009/7/21 8:03:00 Author:Jessie | From:SeekIC

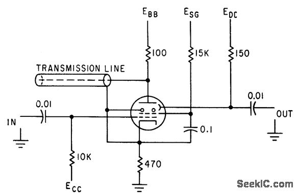
Feedback capacitor is replaced by open-circuited section of transmission line, Duration of output pulse taken across dynode load of secondary-emission penlode is adjusted by varying line length.-E. J. Martin, Jr., How to Use the Secondary-Emission Pentode, Electronics, 33:41, p 60-63.
Reprinted Url Of This Article:
http://www.seekic.com/circuit_diagram/Amplifier_Circuit/TRIGGER_WITH_TRANSMISSION_LINE_FEED_BACK.html
Print this Page | Comments | Reading(3)
Code: