Published:2009/7/14 21:20:00 Author:May | From:SeekIC

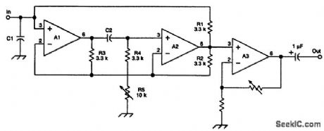
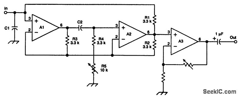
The RF portion of the VLF receiver is shown (a precise rectifier/filter circuit is needed following the output of the figure to generate the dc signal monitored by SID hunters). To tune the SID-hunting frequencies, C2 is 0.001μF. The range of inductance simulated is 10.9 to 43.9 MHz. If C1 is a 0.002-μF unit, then the tuning range is 17 to 34 kHz.
Reprinted Url Of This Article:
http://www.seekic.com/circuit_diagram/Amplifier_Circuit/TUNABLE_ULTRASONIC_AMPLIFIER.html
Print this Page | Comments | Reading(3)
Code: