Published:2009/7/13 21:18:00 Author:May | From:SeekIC

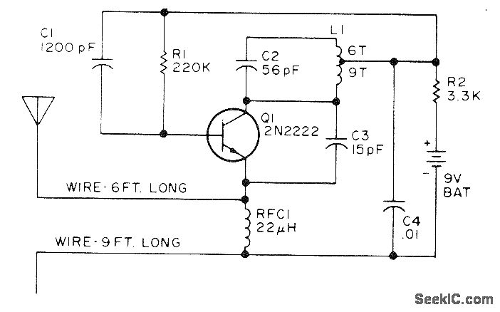
Superregenerative receiver circuit is modified to bring quenching frequency down into audio range, thereby giving many closely spaced carriers in region of 27 MHz. RF level across frequency range is essentially constant. Signal simplifies tune-up of front ends of CB units. Antenna is 6 feet of wire connected to emitter side of RFC, with 9 feet of wire on battery side of RFC as counterpoise. Combination, with circuit in center, can be hung vertically in tree if means can be provided for turning it off or removing battery when not in use. Drain is about 0.5 mA from 9-V battery.-E. A. Lawrence, Citizens Band Alignment Aid, 73 Magazine, April 1973, p 87-88.
Reprinted Url Of This Article:
http://www.seekic.com/circuit_diagram/Amplifier_Circuit/TUNE_UP_AID.html
Print this Page | Comments | Reading(3)
Code: