Published:2009/7/23 21:49:00 Author:Jessie | From:SeekIC

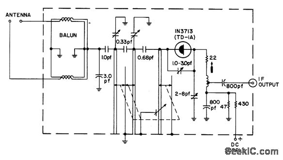
Uses self-oscillating funnel-diode converter circuit.- Transistor Manual, Seventh Edition, General Electric Co., 1964, p 359.
Reprinted Url Of This Article:
http://www.seekic.com/circuit_diagram/Amplifier_Circuit/TUNNEL_DIODE_UHF_TUNER.html
Print this Page | Comments | Reading(3)
Code: