Published:2011/5/11 1:56:00 Author:Ecco | Keyword: TV video , amplifier | From:SeekIC

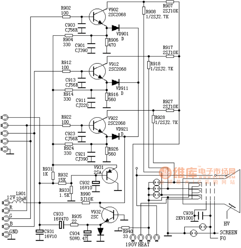
TV video amplifier circuit diagram 6
Reprinted Url Of This Article:
http://www.seekic.com/circuit_diagram/Amplifier_Circuit/TV_video_amplifier_circuit_diagram_6.html
Print this Page | Comments | Reading(3)
Code: