Published:2011/3/28 1:54:00 Author:Rebekka | Keyword: Pulse drive, TWM Pulse width modulation | From:SeekIC

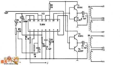
TWM Pulse width modulation circuit and pulse drive circuit diagram is shown as below.
Reprinted Url Of This Article:
http://www.seekic.com/circuit_diagram/Amplifier_Circuit/TWM_Pulse_width_modulation_circuit_and_pulse_drive_circuit_diagram.html
Print this Page | Comments | Reading(3)
Code: