Published:2009/7/15 22:38:00 Author:Jessie | From:SeekIC

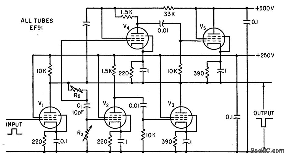
Design procedure is based on fact that wide bandwidth is required only for leading and trailing edges of pulses. Auxiliary amplifier supplies current to charge load and stray capacitances, reducing standby current and improving gain. Auxiliary amplifier V4.VS provides charging current for shunt capacitance during positive-going edge of output pulse.-J. F. Golding, Novel Approach to Pulse Amplifier Design, Electronics, 33:1, p 64-66.
Reprinted Url Of This Article:
http://www.seekic.com/circuit_diagram/Amplifier_Circuit/TWO_AMPLIFIERS_FOR_BIPOLAR_PULSES.html
Print this Page | Comments | Reading(3)
Code: