Published:2009/6/19 2:54:00 Author:May | From:SeekIC

Reprinted Url Of This Article:
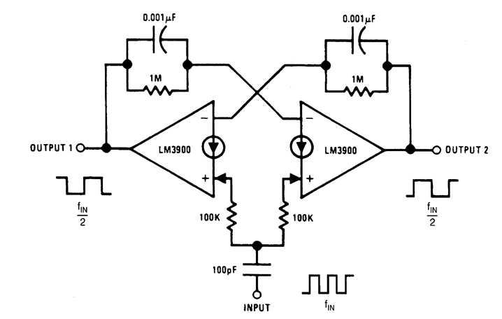
http://www.seekic.com/circuit_diagram/Amplifier_Circuit/TWO_AMPLIFIER_FLIP_FLOP.html
Print this Page | Comments | Reading(3)
Code: