Published:2009/7/16 3:48:00 Author:Jessie | From:SeekIC



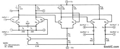
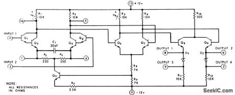
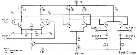
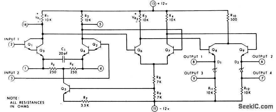
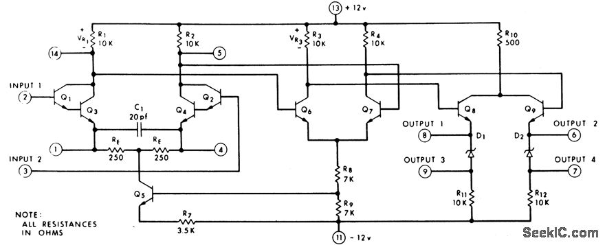
Maximum gain at room temperature is 36,000.Emitter-follower output stages are used with zener diodes to shift d-c level. Input stage uses Darlington inputs. Input impedance is above 1 meg. Frequency rolloff of 6 db/octave begins at 50 kc.-C. L. Heizman and D. G. Peterson, Circuit Analysis: A Monolithic Integrated Operational Amplifier, EEE, 13:5, p 80-84.
Reprinted Url Of This Article:
http://www.seekic.com/circuit_diagram/Amplifier_Circuit/TWO_STAGE_OPERATIONAL_AMPLIFIER.html
Print this Page | Comments | Reading(3)
Code: