Published:2009/7/16 3:46:00 Author:Jessie | From:SeekIC

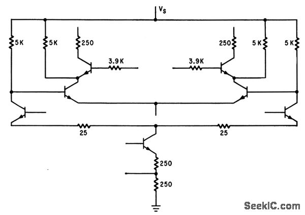
Seven-transistor sense amplifier on single 61 by 70-mil silicon chip has overall gain of 200.-M. F. Wolff, Computer in the Microcircuit Design Room, Electronics, 37:12, p 100-104.
Reprinted Url Of This Article:
http://www.seekic.com/circuit_diagram/Amplifier_Circuit/TWO_STROBE_SENSE_AMPLIFIER.html
Print this Page | Comments | Reading(3)
Code: