Published:2009/7/17 3:28:00 Author:Jessie | From:SeekIC

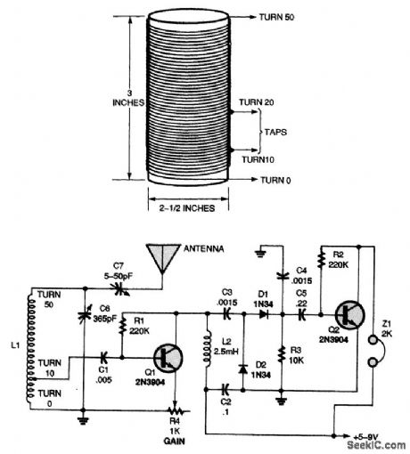
This receiver allows you to select the gain of its 11 RF ramplifier by adjusting R4.
Reprinted Url Of This Article:
http://www.seekic.com/circuit_diagram/Amplifier_Circuit/TWO_TRANSISTOR_TRF_RADIO_RECEIVER_WITH_AUDIO_AMPLIFIER.html
Print this Page | Comments | Reading(3)
Code: