Published:2011/6/24 23:14:00 Author:qqtang | Keyword: basic timing | From:SeekIC

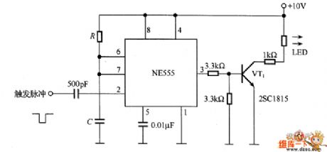
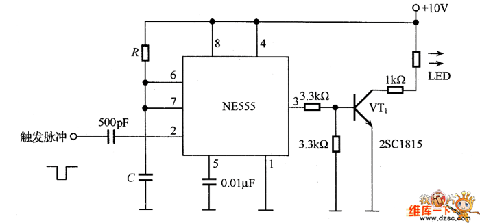
In the figure is the 555 basic timing circuit. In the circuit, if we add a figured trigger pulse on the 2-pin of 555, the 3-pin will output a intermittent pulse, the interval time is T≈RC. After being amplified by VT1, the signal drives the relevant circuit, such as the LED in the figure.
Reprinted Url Of This Article:
http://www.seekic.com/circuit_diagram/Amplifier_Circuit/The_555_basic_timing_circuit.html
Print this Page | Comments | Reading(3)
Code: