Published:2011/6/23 10:59:00 Author:qqtang | Keyword: time delay, energy-saving lamp | From:SeekIC

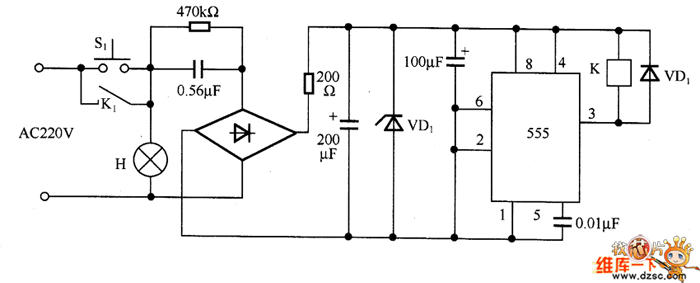
In the circuit is the 555 time delay energy-saving lamp circuit, which can be used at the stair exit and corridor. By pressing S1, the relay K is conducting, at the same time, the lamp K is glowing, the touch spot K1 is closed and locking the power supply. H is put out in 2min, after the light is off, the power consumption is very low, so the aim of saving power is fulfilled.
Reprinted Url Of This Article:
http://www.seekic.com/circuit_diagram/Amplifier_Circuit/The_555_time_delay_energy_saving_lamp_circuit.html
Print this Page | Comments | Reading(3)
Code: