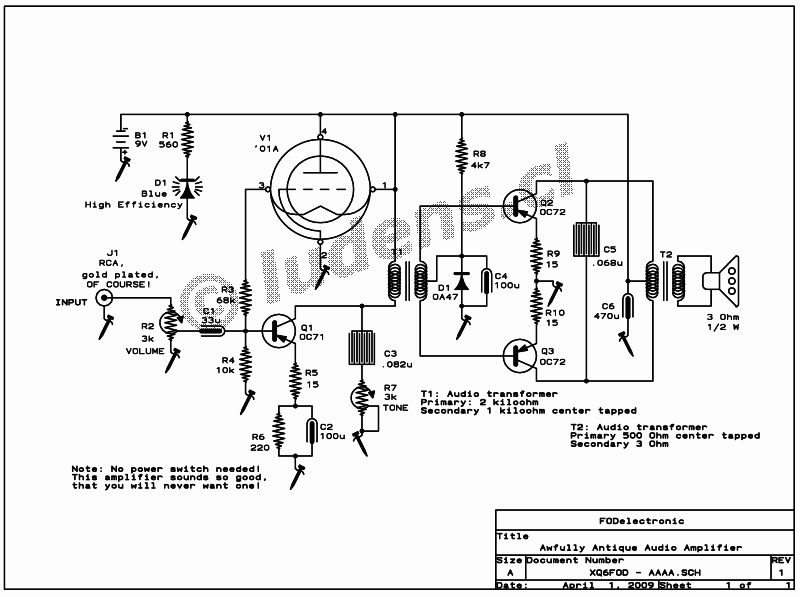
Published:2013/5/9 21:15:00 Author:muriel | Keyword: The Awfully Antique, Audio Amplifier | From:SeekIC

Reprinted Url Of This Article:
http://www.seekic.com/circuit_diagram/Amplifier_Circuit/The_Awfully_Antique_Audio_Amplifier.html
Print this Page | Comments | Reading(3)
Code: