Published:2011/4/11 3:53:00 Author:Rebekka | Keyword: BTL circuit | From:SeekIC

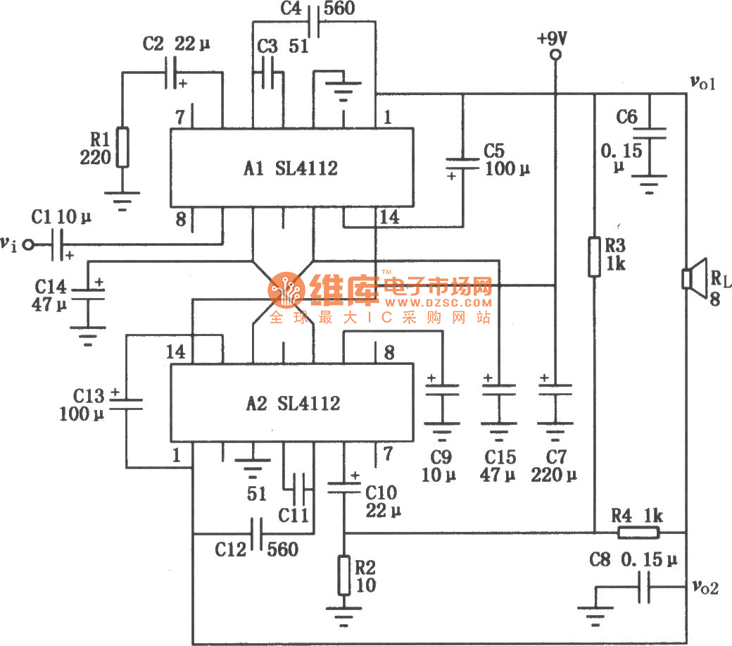
The BTL circuit diagram composed of SL4112 is shown as below.
Reprinted Url Of This Article:
http://www.seekic.com/circuit_diagram/Amplifier_Circuit/The_BTL_circuit_diagram_composed_of_SL4112.html
Print this Page | Comments | Reading(3)
Code: